logo
CENO Electronics Technology Co.,Ltd
E-mail inquiry@ceno360.com TEL.: 86-755-23420945

2 kanalen RF-rotatieverbinding met frequentiebereik DC-4.5GHz voor radarantennen

Radiofrequentie Roterende Verbinding
2025-11-19
882 Meningen
Contact opnemen
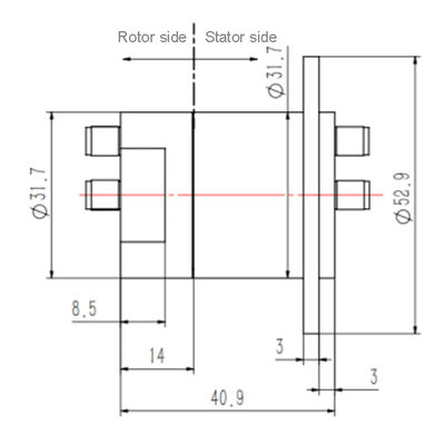
2 kanalen RF-rotatieverbinding met frequentiebereik DC-4.5GHz voor radarantennen RCN0204E is een CENO 2-kanaals RF roterende verbinding met connectortype SMA-K ((50Ω).De kernfunctie is twee ... Bekijk meer
Berichten van bezoekers Laat een bericht achter.
2 kanalen RF-rotatieverbinding met frequentiebereik DC-4.5GHz voor radarantennen
2 kanalen RF-rotatieverbinding met frequentiebereik DC-4.5GHz voor radarantennen
Contact opnemen
Meer informatie
Gerelateerde video's
Integreer RF slip ring met Encoder Ethernet Signal en Radio Frequency Rotary Joint 00:16
Integreer RF slip ring met Encoder Ethernet Signal en Radio Frequency Rotary Joint

Integreer RF slip ring met Encoder Ethernet Signal en Radio Frequency Rotary Joint

Radiofrequentie Roterende Verbinding
2026-03-18
Laagtemperatuur geïntegreerd vermogen RF slip ring met radiofrequentie roterende gewricht 00:19
Laagtemperatuur geïntegreerd vermogen RF slip ring met radiofrequentie roterende gewricht

Laagtemperatuur geïntegreerd vermogen RF slip ring met radiofrequentie roterende gewricht

Radiofrequentie Roterende Verbinding
2026-03-17
Enkelkanaals radiofrequentie roterende koppeling met RF sleepring geschikt voor lage temperaturen 00:30
Enkelkanaals radiofrequentie roterende koppeling met RF sleepring geschikt voor lage temperaturen

Enkelkanaals radiofrequentie roterende koppeling met RF sleepring geschikt voor lage temperaturen

Radiofrequentie Roterende Verbinding
2026-03-16
3 RF Rotary Joint Low Temperature Integrated Power & Radio Frequency Slip Ring 00:21
3 RF Rotary Joint Low Temperature Integrated Power & Radio Frequency Slip Ring

3 RF Rotary Joint Low Temperature Integrated Power & Radio Frequency Slip Ring

Radiofrequentie Roterende Verbinding
2026-01-20
Laagtemperatuur geïntegreerde stroom- en radiofrequente sleepring gecombineerde RF-draaikoppeling 00:21
Laagtemperatuur geïntegreerde stroom- en radiofrequente sleepring gecombineerde RF-draaikoppeling

Laagtemperatuur geïntegreerde stroom- en radiofrequente sleepring gecombineerde RF-draaikoppeling

Radiofrequentie Roterende Verbinding
2026-01-20
2 kanalen radiofrequentie roterende gewricht met RF slip ring pak lage temperatuur 00:20
2 kanalen radiofrequentie roterende gewricht met RF slip ring pak lage temperatuur

2 kanalen radiofrequentie roterende gewricht met RF slip ring pak lage temperatuur

Radiofrequentie Roterende Verbinding
2026-01-20
4 kanalen RF roterende gewricht gecombineerd elektrische kracht slip ring bij lage temperatuur 00:25
4 kanalen RF roterende gewricht gecombineerd elektrische kracht slip ring bij lage temperatuur

4 kanalen RF roterende gewricht gecombineerd elektrische kracht slip ring bij lage temperatuur

Radiofrequentie Roterende Verbinding
2025-11-19
2 kanalen RF Rotary Joint gecombineerd elektrisch vermogen en signaal voor radar 00:22
2 kanalen RF Rotary Joint gecombineerd elektrisch vermogen en signaal voor radar

2 kanalen RF Rotary Joint gecombineerd elektrisch vermogen en signaal voor radar

Radiofrequentie Roterende Verbinding
2025-11-19
Integrate Electric power Ethernet & RF Slip Ring met Radio Frequency Rotary Union 00:21
Integrate Electric power Ethernet & RF Slip Ring met Radio Frequency Rotary Union

Integrate Electric power Ethernet & RF Slip Ring met Radio Frequency Rotary Union

Radiofrequentie Roterende Verbinding
2025-09-12
Laag temperatuur integratie elektrische stroom Ethernet & RF roterende verbinding sleepring 00:21
Laag temperatuur integratie elektrische stroom Ethernet & RF roterende verbinding sleepring

Laag temperatuur integratie elektrische stroom Ethernet & RF roterende verbinding sleepring

Radiofrequentie Roterende Verbinding
2025-09-12
Integreer elektrische stroom & radiofrequentie slip ring met rf roterende gewricht 00:19
Integreer elektrische stroom & radiofrequentie slip ring met rf roterende gewricht

Integreer elektrische stroom & radiofrequentie slip ring met rf roterende gewricht

Radiofrequentie Roterende Verbinding
2025-08-28
Laagtemperatuur geïntegreerde RF roterende gezamenlijke slip ring met 1000M Ethernet signaal 00:48
Laagtemperatuur geïntegreerde RF roterende gezamenlijke slip ring met 1000M Ethernet signaal

Laagtemperatuur geïntegreerde RF roterende gezamenlijke slip ring met 1000M Ethernet signaal

Vezel Optische Roterende Verbinding
2024-01-04
Glijring met 2 kanalen CPRG187G Radiofrequentie Roterende gewricht 00:29
Glijring met 2 kanalen CPRG187G Radiofrequentie Roterende gewricht

Glijring met 2 kanalen CPRG187G Radiofrequentie Roterende gewricht

Radiofrequentie Roterende Verbinding
2025-08-28
3 kanalen radiofrequentie roterende gewricht met RF slip ring voor radar antenne 00:36
3 kanalen radiofrequentie roterende gewricht met RF slip ring voor radar antenne

3 kanalen radiofrequentie roterende gewricht met RF slip ring voor radar antenne

Radiofrequentie Roterende Verbinding
2024-07-30
Lage temperatuur IP65 waterdichte sleepring met groot doorgaand gat 260 mm 00:20
Lage temperatuur IP65 waterdichte sleepring met groot doorgaand gat 260 mm

Lage temperatuur IP65 waterdichte sleepring met groot doorgaand gat 260 mm

Waterdichte Misstapring
2026-04-29